#5907
33
1064
Zakończony
Poszukujemy podwykonawcy – projekt etykiet dla mikro-gorzelni
Nowo powstająca mikro-gorzelnia, z powodów organizacyjnych, musi znacznie przyspieszyć proces budowy brandingu. Sytuacja wymaga pilnego stworzenia dwóch pierwszych elementów wizerunkowych (z planowanej serii sześciu produktów) w postaci:
DWÓCH WSPÓŁPRACUJĄCYCH ZE SOBĄ etykiet na butelkę, do wykonania wręcz natychmiast. Realnie mówimy o czasie liczonym w dniach – musimy otrzymać gotowe projekty do prezentacji na butelce najpóźniej do czwartku, 27 marca.
Zakres projektu:
Pierwsze dwie etykiety tworzące serię produktową:
Okowita Jęczmienna Sieluńska
Okowita Jabłkowa Grójecka
Pozostałe etykiety z serii (miodowa, śliwkowa, żytnia i kukurydziana) zostaną zlecone w późniejszym terminie. W kolejnych etapach planowane są także dodatkowe elementy wizerunkowe, takie jak opakowania kartonowe, katalogi sprzedażowe i restauracyjne, stojaki prezentacyjne, miniaturki itd. Każdy z tych elementów będzie oddzielnie rozliczany.
Założenia wizualne etykiet:
Styl: nowoczesny, lekki, w pastelowych barwach, z wyraźnym oznaczeniem rodzaju produktu. Preferowane są efekty druku 3D, elementy złote oraz lakierowanie dla podkreślenia klasy premium.
Przekaz: etykieta powinna podkreślać naturalne składniki (jabłko, jęczmień) oraz odniesienia do regionu, historii i rzemieślniczej produkcji. Musi być czytelna i atrakcyjna dla odbiorców w wieku 30–60 lat, ceniących produkty regionalne i patriotyczne.
Konkurencyjność: ma stanowić alternatywę dla zagranicznych rzemieślniczych alkoholi (np. whisky, bourbon), jednocześnie podkreślając lokalny charakter.
Funkcjonalność: etykieta powinna dostarczać tematów do rozmowy – o kulturze, regionie, surowcach i historii.
Parametry techniczne etykiety:
Wymiary: długość 255 mm, wysokość 80 mm.
Forma: etykieta zakrywa cztery ścianki butelki.
Podział: Trzy ścianki – zasadniczy projekt graficzny, w tym jedna z dłuższym tekstem „story” o produkcie.
Jedna ścianka (tylna) – informacje handlowe o produkcie.
Dodatkowe informacje:
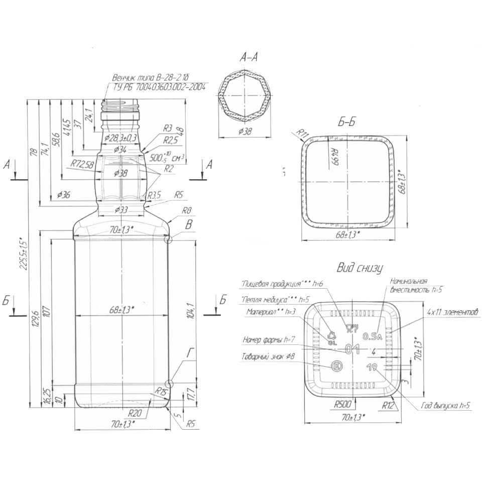
Rysunek techniczny butelki znajduje się w załączniku.
W załączniku podstawowe informacje o powstającej gorzelni.
Możliwe indywidualne rozmowy w celu doprecyzowania oczekiwań.
Nie dostarczamy wzorów. Szukamy osoby, której styl będzie współgrał z naszą wizją, a nie kogoś, kto jedynie dostosuje się do naszych wytycznych. Chcemy nawiązać długoterminową współpracę, w której przyszłe projekty będą rozwijane w naturalny sposób, opierając się na indywidualnym stylu wykonawcy.
Zainteresowanych prosimy o szybki kontakt.
Linki
http://www.manufaktura-alkoholu.pl http://www.g-still.com https://drive.google.com/file/d/194pyPbSFTh7pm6s64jW2NA8lomvntiFR/view?usp=drive_linkZasady konkursu
Aby zobaczyć zasady konkursu musisz być zalogowany